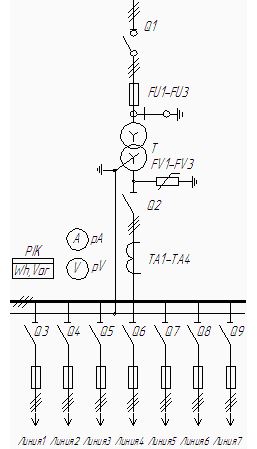
Габаритные размеры и электрическая схема КТП-ТК(В) 1000 кВА
Технические характеристики
| Наименование параметров | Значение |
|---|---|
| Мощность устанавливаемого силового трансформатора, кВА | 1000 |
| Номинальное напряжение на стороне ВН, кВ | 10(6) |
| Номинальное напряжение на стороне НН, кВ | 0,4 - 0,23 |
| Ток термической стойкости на стороне ВН, кА | 10 |
| Ток электродинамической стойкости на стороне ВН, кА | 25 |
| Габаритные размеры, мм, не более | |
| длина | 4380 |
| ширина | 2250 |
| высота (кабельный ввод/воздушный ввод) | 2425/4500 |
| Количество отходящих линий | 7 |
Перечень элементов КТП-ТК(В)
| Позиция | Наименование | Мощность КТП, кВА |
|---|---|---|
| 1000 | ||
| Q1 | Выключатель нагрузки ВНАп-10/400 | 10 кВ, 400 А |
| FU1-FU3 | Предохранитель ПКТ-10(6), А | 100 (160) |
| Q2 | Разъединитель, А | 2000 |
| pV | Вольтметр | 0-500 В |
| pA | Амперметр, А | 1500/5 |
| TA1-TA4 | Трансформатор тока, А | 1500/5 |
| Q3-Q5 | Рубильник с предохранителями, А | 100 |
| Q6 | Рубильник с предохранителями, А | 250 |
| Q7, Q8 | Рубильник с предохранителями, А | 400 |
| Q9 | Рубильник с предохранителями, А | 630 |
| PIK | Счетчик Меркурий 230 ART-03C(R)N | 380В, 5А |
| FV1-FV3 | Ограничитель перенапряжения ОПН-0,38 | 380В |
| Iном | Ток на стороне НН, А | 1600 |
В комплект поставки КТП ТВ не входят разрядники РВО-10 - 3шт. и разъединитель РЛНДМ-10/400