Комплектная трансформаторная подстанция проходного типа с кабельным или воздушным вводом - КТП-ПК(В) наружной установки мощностью 25-630кВА, напряжением 6-10/0,23-0,4кВ, предназначена для приема электроэнергии переменного трехфазного тока промышленной частоты напряжением 6-10кВ, трансформирования и распределения его напряжением 0,4-0,23кВ. КТП может применяться для электроснабжения промышленных, сельскохозяйственных, коммунальных объектов.
КТП предназначены для эксплуатации на открытом воздухе в условиях умеренного климата при предельных значениях температуры окружающей среды от -45 С до +40 С. Окружающая воздушная среда не должна содержать паров, пыли и газов в концентрациях, разрушающих металлы, изоляцию и покрытие подстанции.
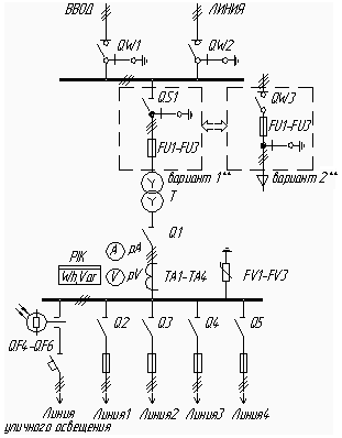
Габаритные размеры и электрическая схема КТП-ПВ
* высота в транспортном положении
** устанавливается по согласованию с заказчиком
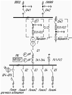
Габаритные размеры и электрическая схема КТП-ПК
** устанавливается по согласованию с заказчиком
Для КТП-ПВ: при втором варианте подключение трансформатора к сети 6(10) кВ выполняется с помощью кабельной перемычки (в базовый комплект поставки не входит)
Количество отходящих линий по заказу может быть увеличено:
Технические характеристики
| Наименование параметров | Значение |
|---|---|
| Мощность устанавливаемого силового трансформатора, кВА | 25 - 630 |
| Номинальное напряжение на стороне ВН, кВ | 6 - 10 |
| Номинальное напряжение на стороне НН, кВ | 0,4 - 0,23 |
| Ток термической стойкости на стороне ВН, кА | 10 |
| Ток электродинамической стойкости на стороне ВН, кА | 25 |
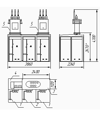
| Габаритные размеры, мм, не более | |
| длина | 3860 |
| ширина | 2180 |
| высота (кабельный ввод/воздушный ввод) | 2400/4500 |
| Размеры трансформаторного отсека LxBxH, мм | 2400х1120х1920 |
| Количество отходящих линий | 4 |
Перечень элементов КТП ПВ(К)
| Позиция | Наименование | Мощность КТП, кВА | ||||
|---|---|---|---|---|---|---|
| 100 | 160 | 250 | 400 | 630 | ||
| QW1,QW2 | Выключатель нагрузки ВНР-10/400 | 10 кВ, 400 А | ||||
| QS1(QW3) | вариант 1* Разъединитель РВЗ-10/400 | стандартное исполнение | по заказу | |||
| вариант 2* Выключатель нагрузки ВНРп-10/400 | по заказу | станд. исп. | ||||
| FU1-FU3 | Предохранитель ПКТ-10(6), А | 16(20) | 20(31,5) | 31,5(50) | 50(80) | 80(100) |
| Q1 | Разъединитель, А | 250 | 250 | 400 | 630 | 1000 |
| pV | Вольтметр | 0-500 В | ||||
| pA | Амперметр, А | 200/5 | 300/5 | 400/5 | 600/5 | 1000/5 |
| TA1-TA4 | Трансформатор тока, А | 200/5 | 300/5 | 400/5 | 600/5 | 1000/5 |
| Q2 | Рубильник с предохранителями РПС, А | 100 | 100 | 100 | 250 | 400 |
| Q3 | Рубильник с предохранителями РПС, А | 100 | 100 | 250 | 250 | 400 |
| Q4 | Рубильник с предохранителями РПС, А | 100 | 100 | 250 | 400 | 400 |
| Q5 | Рубильник с предохранителями РПС, А | 250 | 250 | 400 | 400 | 400 |
| KM | Магнитный пускатель ПМЛ-2160 | 220B, 25A | ||||
| QF1-QF3 | Автоматический выключатель ВА 47-29, А | 16 А | ||||
| QF4-QF6 | Автоматический выключатель ВА 47-29, А | 25 A | ||||
| PIK | Счетчик Меркурий 230 ART-03C(R)N | 3х220/380В, 5(7,5)А | ||||
| К | Коробка испытательная КИ-У3 | |||||
| RV | Фотореле | |||||
| BL | Фоторезистор | |||||
| EL | Патрон Е27 | |||||
| FV1-FV3 | Ограничитель перенапряжения ОПН-0,38 | 380В | ||||
| Iном | Ток на стороне НН на каждую секцию, А | 145 | 230 | 360 | 580 | 910 |
В комплект поставки КТП ПВ не входят разрядники РВО-10 (возможна установка ограничителей перенапряжения ОПН-10) и разъединители РЛНДМ 10/400