Комплектные двухтрансформаторные подстанции тупикового типа с кабельным (2КТП-ТК) или воздушным вводом (2КТП-ТВ) наружной установки мощностью 25-630 кВА, напряжением 6-10/0,23-0,4кВ, предназначены для приема электроэнергии переменного трехфазного тока промышленной частоты напряжением 6-10кВ, трансформирования и распределения его напряжением 0,4-0,23кВ. 2КТП может применяться для электроснабжения промышленных, сельскохозяйственных, коммунальных объектов.
2КТП предназначены для эксплуатации на открытом воздухе в условиях умеренного климата при предельных значениях температуры окружающей среды от -45 С до +40 С. Окружающая воздушная среда не должна содержать паров, пыли и газов в концентрациях, разрушающих металлы, изоляцию и покрытие подстанции.
Габаритные размеры, электрическая схема 2КТП ТК
* высота в транспортном положении
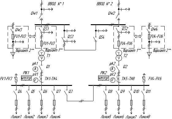
** по согласованию с заказчиком. При втором варианте подключение трансформатора к сети 6(10) кВ выполняется с помощью кабельной перемычки (в базовый комплект поставки не входит)
Габаритные размеры, электрическая схема 2КТП ТВ
* высота в транспортном положении
** по согласованию с заказчиком. При втором варианте подключение трансформатора к сети 6(10) кВ выполняется с помощью кабельной перемычки (в базовый комплект поставки не входит)
Технические характеристики
| Наименование параметров | Значение |
|---|---|
| Мощность устанавливаемого силового трансформатора, кВА | 25-630 |
| Номинальное напряжение на стороне ВН, кВ | 6 - 10 |
| Номинальное напряжение на стороне НН, кВ | 0,4 - 0,23 |
| Ток термической стойкости на стороне ВН, кА | 10 |
| Ток электродинамической стойкости на стороне ВН, кА | 25 |
| Количество отходящих линий | 8 |
Перечень элементов 2КТП-ТК(В)
| Позиция | Наименование | Мощность КТП, кВА | ||||
|---|---|---|---|---|---|---|
| 100 | 160 | 250 | 400 | 630 | ||
| QW1,QW2 | Выключатель нагрузки ВНА 10/400 | 10 кВ, 400 А | ||||
| QS1,QS2 (QW3,QW4) | вариант 1* Разъединитель РВЗ-10/400 | 10 кВ, 400 А | по заказу | |||
| вариант 2* Выключатель нагрузки ВНАп-10/400 | по заказу | 10 кВ, 400 А | ||||
| QS3,QS4 | Разъединитель РВЗ-10/400 | 10 кВ, 400 А | ||||
| FU1-FU3 | Предохранитель ПКТ-10(6), А | 16(20) | 20(31,5) | 31,5(50) | 50(80) | 80(100) |
| Q1-Q3 | Разъединитель, А | 630 | 630 | 630 | 630 | 1000 |
| pV1,pV2 | Вольтметр | 0-500 В | ||||
| pA1,pA2 | Амперметр, А | 200/5 | 300/5 | 400/5 | 600/5 | 1000/5 |
| TA1-TA8 | Трансформатор тока, А | 200/5 | 300/5 | 400/5 | 600/5 | 1000/5 |
| PIK1,PIK2 | Счетчик активной энергии Меркурий 230 ART-03C(R)N | 380 В, 5А | ||||
| Q4 | Рубильник с предохранителями РПС, А | 100 | 100 | 100 | 250 | 400 |
| Q5 | Рубильник с предохранителями РПС, А | 100 | 100 | 250 | 250 | 400 |
| Q6 | Рубильник с предохранителями РПС, А | 100 | 100 | 250 | 400 | 400 |
| Q7 | Рубильник с предохранителями РПС, А | 250 | 250 | 400 | 400 | 400 |
| Q8 | Рубильник с предохранителями РПС, А | 100 | 100 | 100 | 250 | 400 |
| Q9 | Рубильник с предохранителями РПС, А | 100 | 100 | 250 | 250 | 400 |
| Q10 | Рубильник с предохранителями РПС, А | 100 | 100 | 250 | 400 | 400 |
| Q11 | Рубильник с предохранителями РПС, А | 250 | 250 | 400 | 400 | 400 |
| FV1-FV6 | Ограничитель перенапряжения ОПН-0,38 | 380 B | ||||
| Iном | Ток на стороне НН на каждую секцию, А | 145 | 230 | 360 | 580 | 910 |
Подстанции 2КТП ТК(В) блок-замками механической блокировки не комплектуются.
В комплект поставки 2КТП-ТВ не входят разрядники РВО-10 и разъединители РЛНДМ 10/400