Комплектная трансформаторная подстанция проходного типа с кабельным или воздушным вводом - КТП-ПК(В) наружной установки мощностью 25-630 кВА, напряжением 10(6)/0,23-0,4 кВ, предназначена для приема электроэнергии переменного трехфазного тока промышленной частоты напряжением 10(6) кВ, трансформирования и распределения его напряжением 0,4-0,23 кВ. КТП может применяться для электроснабжения промышленных, сельскохозяйственных, коммунальных объектов.
КТП предназначены для эксплуатации на открытом воздухе в условиях умеренного климата при предельных значениях температуры окружающей среды от -45 С до +40 С. Окружающая воздушная среда не должна содержать паров, пыли и газов в концентрациях, разрушающих металлы, изоляцию и покрытие подстанции.
Габаритные размеры КТП-ПК(В)

* высота в транспортном положении (с кабельным вводом)
** высота в транспортном положении (с воздушным вводом)
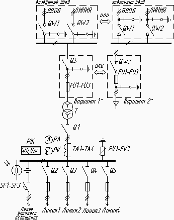
Электрическая схема КТП-ПК(В)

*устанавливается по согласованию с заказчиком
**подключение трансформатора мощьностью 630кВА к сети 6(10)кВ выполняется с помощью кабельной перемычки (в базовый комплект поставки не входит)
Количество отходящих линий по заказу может быть увеличено:
Технические характеристики
| Наименование параметра | Значение |
|---|---|
| Мощность устанавливаемого силового трансформатора, кВА | 25 - 630 |
| Номинальное напряжение на стороне ВН, кВ | 10(6) |
| Номинальное напряжение на стороне НН, кВ | 0,4 - 0,23 |
| Ток термической стойкости на стороне ВН, кА | 16(20) |
| Ток электродинамической стойкости на стороне ВН, кА | 41(50) |
| Габаритные размеры, мм, не более | |
| длина | 3420 |
| ширина | 2180 |
| высота (кабельный ввод/воздушный ввод) | 2400/4500 |
| Размеры трансформаторного отсека LxBxH, мм | 2000х1120х1920 |
| Количество отходящих линий | 4 |
Перечень элементов КТП-ПВ(К)
| Позиция | Наименование | Мощность КТП, кВА | |||||
|---|---|---|---|---|---|---|---|
| 63 | 100 | 160 | 250 | 400 | 630 | ||
| QW1-QW2 | Выключатель нагрузки ВНА-10/400-20з | 10кВ, 400А | |||||
| QS(QW3) | вариант 1 Разъединитель РВЗ-10/400 | 10кВ, 400А | по заказу | ||||
| вариант 2 Выключатель нагрузки ВНА-10/400-20з | по заказу | 10кВ, 400А | |||||
| FU1-FU3 | Предохранитель ПКТ-10(6), А | 10(16) | 16(20) | 20(31,5) | 31,5(50) | 50(80) | 80(100) |
| pV | Вольтметр | 0-500 В | |||||
| pA | Амперметр, А | 100/5 | 200/5 | 300/5 | 400/5 | 600/5 | 1000/5 |
| TA1-TA4 | Трансформатор тока, А | 100/5 | 200/5 | 300/5 | 400/5 | 600/5 | 1000/5 |
| Q1 | Рубильник Iн, А | 250 | 250 | 250 | 400 | 630 | 1000 |
| Q2 | Рубильник с предохранителями РПС, А | 100 | 100 | 100 | 100 | 250 | 400 |
| Q3 | Рубильник с предохранителями РПС, А | 100 | 100 | 100 | 250 | 250 | 400 |
| Q4 | Рубильник с предохранителями РПС, А | - | 100 | 100 | 250 | 400 | 400 |
| Q5 | Рубильник с предохранителями РПС, А | - | 250 | 250 | 400 | 400 | 400 |
| SF1-SF3 | Автоматический выключатель ВА 47-29Iн, А | 25 А | |||||
| SF4-SF6 | Автоматический выключатель ВА 47-29Iн, А | 16 A | |||||
| PIK | Счетчик Меркурий 230 ART-03C(R)N | 380В, 5А | |||||
| К | Коробка испытательная КИ-У3 | ||||||
| KM | Магнитный пускатель ПМЛ-2160 | 220В, 25А | |||||
| RV | Фотореле | ||||||
| BL | Фоторезистор | ||||||
| FV1-FV3 | Ограничитель перенапряжения ОПН-0,38 | 380В | |||||
В комплект поставки КТП с воздушным не входят разрядники РВО-10 - 6шт. и разъединитель РЛНДМ-10/400 - 2шт.